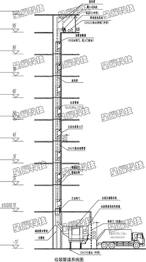
What is the garbage pipeline system composed of? Garbage pipeline system diagram
What is the garbage pipeline system composed of?
The gravity garbage pipeline system consists of SUS304 stainless steel main pipeline, garbage compressor, pipeline cleaning equipment, centrifugal fan, exhaust pipe, garbage inlet, automatic gate and electrical control system.
1、 Stainless steel main pipe:
Boundary dimension: 600mm or 500mm, made of SUS304 stainless steel, 1.5mm thick, and connected by flange socket.
2、 Garbage compressor: storage capacity 6m~14m (after compression)
1. Inner cylinder material: stainless steel SUS304 plate, 4mm thick;
2. Equipment shell material: national standard Q235A plate, 1.5mm thick;
3. Main motor: three-phase asynchronous motor; Number of poles: 4 poles; Rated voltage: 380V; Rated speed: 1450rpm.
3、 Pipe cleaning equipment
This equipment is located above the main pipe of domestic garbage. The motor and reducer are used to drive the lifting brush. The brush is connected to the inner pipe wall, and the upper and lower limit switches are set. A cleaning agent bucket is added above the brush. During flushing, the agent is automatically added and the cleaning agent is sprayed.
4、 Centrifugal fan
1. Fan parameters: power 3kW, voltage 380V, frequency 50HZ
2. Air volume 2800m/h
3. The equipment realizes joint control, and automatically operates when the input door is opened, without manually controlling the switch.
5、 Exhaust duct
Exhaust pipe: 219 stainless steel pipe with thickness not less than 1.5mm
6、 Garbage input door
1. The door is composed of stainless steel door panel and door frame;
2. The door panel and door frame are made of SUS304 stainless steel plate;
3. The bolts for the entry door are firmly installed on the input station. When the entry door and the input station are connected, the slot connection is made into a pull type, so that it can be adjusted to be flush with the wall after installation to make it beautiful;
4. The opening door is automatically opened up and down, and the manual key is closed;
5. 7-inch LCD touch display;
6. The input door is equipped with an infrared anti foreign matter probe safety device to prevent accidents;
7. Interlock system is adopted at the entrance of the floor, which only allows the entrance of a single floor to ensure the safety of personnel;
8. It is equipped with voice prompt function and panel display function to prompt the staff to shut down in case of overtime.
7、 Automatic gate
It is installed at the bottom of the garbage pipeline, which is normally closed, and can effectively prevent the odor in the garbage compression storage machine from spreading into the pipeline; In addition, in case of fire in the building or in the garbage compression storage machine, the automatic gate can seal the pipeline, which can prevent the pipeline from producing chimney effect.
8、 Electrical control system
1. Main control system: vertical control cabinet (10.2 inch LCD touch display)
Software: PLC program control
2. Floor control system: smart card swiping authentication system (7-inch LCD touch display)
Garbage pipeline system diagram:
