Garbage pipeline system Garbage pipeline Dirty clothes tank Hospital Hotel system diagram

garbage pipe, dirty clothes pipe, dirty clothes tank system, garbage into hospital, hotel and residence

garbage pipe, dirty clothes pipe, dirty clothes tank, production and installation, hospital, hotel and residencebr />
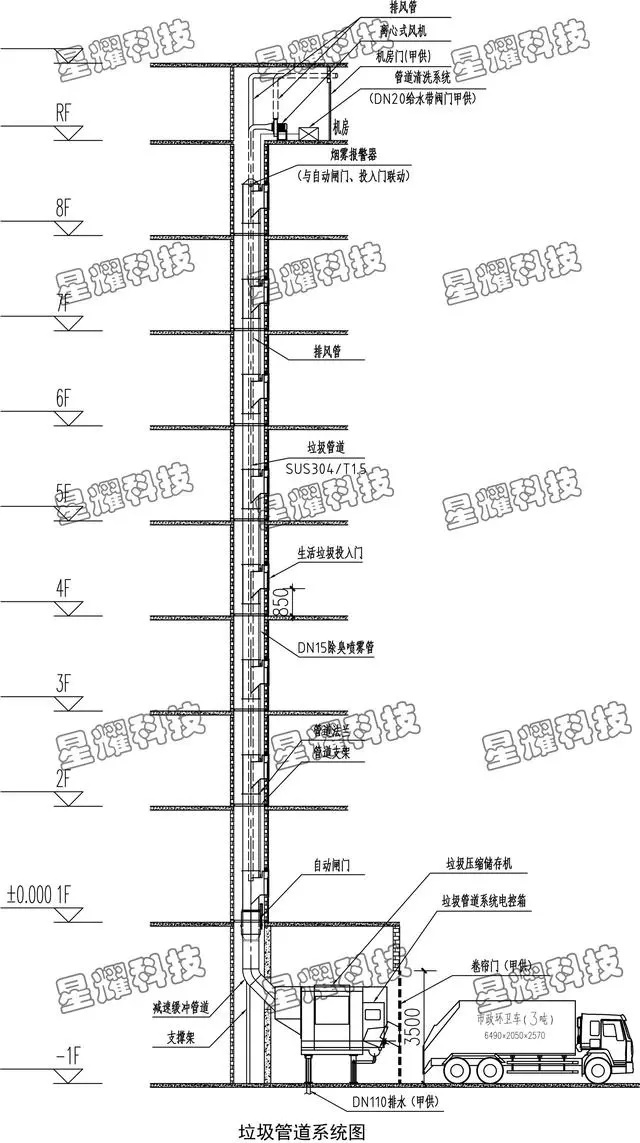
System Diagram of garbage Pipe, Dirty Clothes Pipe, Dirty Clothes Tank System Hospital Hotel Residence

garbage pipe, dirty clothes pipe, dirty clothes tank, production and installation, hospital, hotel and residence

garbage pipe, dirty clothes pipe, dirty clothes tank, production and installation, hospital, hotel and residence